申请试用会员
注册并完成实名认证,可领取试用会员权限!
同一用户只可领取1次
立即申请
400-886-0990
(周一08:30至周五18:00)
客服1微信
客服2微信
非工作时间请添加微信
客服上线后第一时间给您处理
您好!欢迎来到废旧再生网
登录
|
免费注册
|
VIP服务
查项目
|
查企业
搜 索
信 息 发 布
首页
供求信息
企业处置
拍卖招标
企业库
数据服务
行业资讯
当前位置:
首页
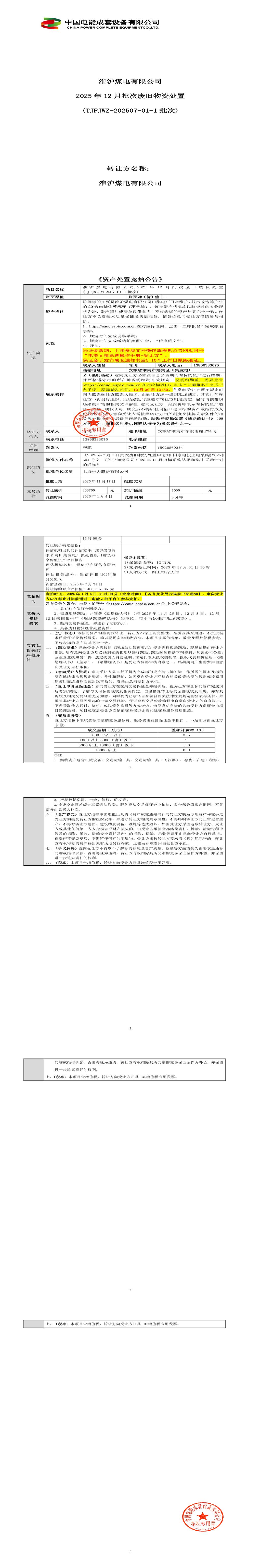
1月4日淮南煤电公司 2025年12月批次废旧物资处置 (TJFJWZ-202507-01-1批次)招标公告
导出
纠错
收藏
项目类型:招标
所属行业:其他物资
所在地区:安徽-淮南
价 格:报价/竞价
拍卖时间:2026-01-04
发布时间:2025-12-24
业主单位
淮****司
监控
企业专区
如遇项目变动,不另行通知,一切以信息发布公司为准!
信息有误?我要举报
公告详情
原文链接
附件
项目进度
平台申明
公告详情
废旧再生网提示您:
尊敬的用户,您当前为【游客状态】,“1月4日淮南煤电公司 2025年12月批次废旧物资处置 (TJFJWZ-202507-01-1批次)招标公告”的项目信息已被我方设定查看权限,仅对会员开放。如需查看完整内容,请先
注册
/
登录
!
原文链接
暂无链接
附件
暂无附件
项目进度
0
1月4日淮南煤电公司 2025年12月批次废旧物资处置 (TJFJWZ-202507-01-1批次)招标公告
平台申明
1.废旧再生网(以下统一称“平台”)所提供的信息及资料除原创外,部分资讯从网络等媒体收集而来,版权归原作者及媒体网站所有,平台力求保存原有的版权信息并尽可能注明来源;部分因为操作上的原因可能已将原有信息丢失,敬请原作者谅解;若您对本站所载文章及作品版权的归属存有异议,或触及您的利益,请立即通知本站(电子邮箱:
15371054843@163.com
),本站将立即予以删除,同时向您表示歉意!
2.任何单位或个人通过平台所得的第三方信息(包括招投标公司、帐号、保证金缴纳等),并据此进行交易或其他行为前,应慎重辨别该信息的合法性,如不确定交易公司是否合法,请先咨询专业人士。任何单位或个人据此信息进行交易行为而导致财产毁损等,平台不因此承担任何法律责任
在线留言
0 / 140
登录
注册
提交留言
领取
试用
会员
下载
APP
微信
公众号
联系
客服
友情链接
富宝资讯
再生资源
有色金属
钢铁
不锈钢
铁合金
新能源
工业气体
非金建材
造纸
塑料
能化辅料
虎宝管家